触头的稳定性
电流会产生磁场,载流导体周围也有磁场,磁场对载流导体会产生力的作用。这种作用力称为电动力。电动力的本质仍然是安培力(洛伦兹力)。
导线间的电动力与导线的长度成正比,与导线间的距离成反比,与导线间流过的电流的乘积成正比。若两导线的电流相等,则电动力与电流的平方成正比。
当两电流方向一致时,导体间的电动力是吸力;当两电流方向相反时,导体间的电动力是斥力。
所谓开关电器的动稳定性,指的是开关电器当其内部的载导电体流过短路电流时,开关电器能够承受短路电流产生的巨大电动力的冲击而不发生形变。
我们以低压交流接触器为例来说明。下图是某型拍合式接触器,我们可以从灭弧罩的缝隙中看到触头:
我们能看到接触器触头的尺寸很小,短路电流似乎对触头不会产生什么电动力。那么触头也有动稳定性吗?
看下图:
图中绘出了动、静触头间的电流线。我们用右手定则判断出磁力线方向,再用左手定则判断出电动力方向,我们会发现动、静触头间的作用力是斥力Fd。于是电磁吸力F为:
这里的Fd是正常运行电流产生的触头斥力,Ff是反力拉簧产生的拉力。
那么Fd的表达式是什么?见下式:
这里的R是触头底面的半径,而r则是接触点的半径。
我们发现,触头斥力与电流的平方成正比,且触头半径越大,斥力也就越大。
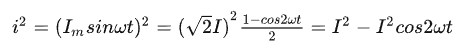
设流过触头的交流电流为:
我们来看看交流电流的平方是什么?
也就是说,交流电流的平方有如下特点:
第一个特点:它包括两个部分:其一是直流分量,它等于交流电流有效值的平方;其二是交流分量,它的最大值与直流分量相同,但方向相反,且它按2倍于电流频率变化;
第二个特点:它的最大值为2倍直流分量,最小值为零。
结合其它参数,我们可以得出结论:触头电动斥力Fd包括了两个部分,其一是恒定分量Fd-,其二是交变分量Fd~。我们来看它的图像:
我们看到了触头斥力的最大值和最小值,且最小值为零。
其实,不但触头斥力是如此,交流线圈的吸力也是如此。这样一来,每次电流过零时,在拉力弹簧的反力作用下,触头就会松动,严重时甚至会出现间隙。当电压再次加载后,就会在触头间隙中出现电弧,烧灼触头材料。
解决的办法是什么呢?第一是增加触头的压力,第二是在电磁吸力的铁心中增加短路环,使得电流过零时仍然保持有一定的吸力。短路环的作用十分重要,它可以在主磁通φ流过时产生感应电流,而感应电流又会产生一个辅助磁通φF。当主磁通过零时,辅助磁通φF不过零,使得触头和电磁系统存在吸引电磁力,有效地消除触头振动和电磁系统振动。
图中在铁芯左右两个端面上能看见短路环。
以上这些方法仅仅解决了正常运行电流的触头斥力问题。但是当发生短路时,巨大的短路电流流过触头,触头会被强大的短路电动力斥开一个气隙,气隙中会出现电弧。电弧当然会烧灼触头,使得触头材料部分地熔融,其结果就是触头熔焊或者触头材料被电弧汽化。
触头抵御短路电流的电动力作用被称为触头的动稳定性。
在国家标准GB14048.4-2008《低压开关设备和控制设备 第4部分: 机电式接触器和电动机起动器》中,有如下内容:
我们来仔细看看下图:
图中左侧是一次回路,我们看到了断路器、接触器和热继电器,当然也有电动机。
我们来仔细看看上图右侧的曲线图:
左侧的曲线是电动机的起动曲线,曲线的右侧是电动机的起动冲击电流,也就是当电动机刚加电但转子还未旋转时的电流值。我们看到断路器和接触器组合装置的短路电流分断能力必须大于这个值。
再看右下角有两个关系:一个是断路器的短路电流分断能力,一个是断路器和接触器组合装置的短路电流分断能力,我们看到后者必须大于前者。这样才能确保当发生短路时,接触器触头能满足动稳定性要求。
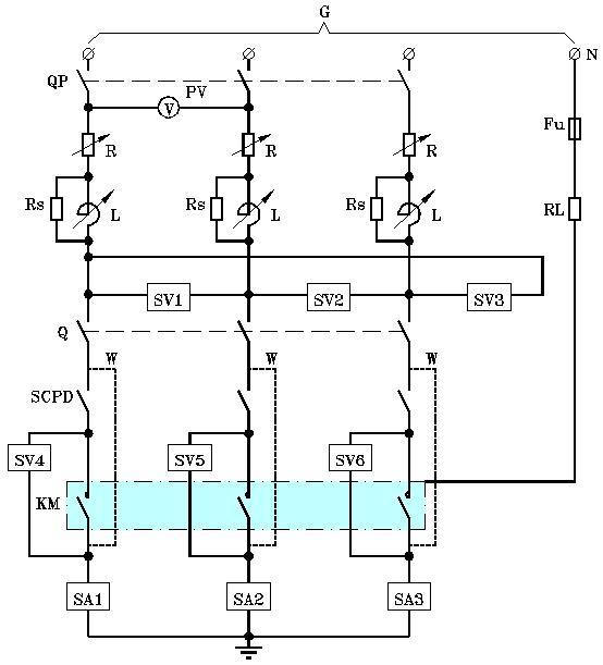
对应于断路器和接触器之间的短路协调,产品的型式试验中有专门的测试内容,叫做SCPD短路配合试验。SCPD试验电路如下:
这里的KM就是接触器主触头,而SCPD就是断路器触头。当电路流过厂家声称的短路电流时,按厂家给定的时间参数来控制时间,以便测试接触器触头是否会发生熔焊。若发生熔焊,则属于一类配合关系;若未发生熔焊,则属于二类配合关系。
对于具体使用者来说,选用断路器和接触器时,要按二类配合关系来选择元件规格。
下图是ABB的电动机控制主回路元器件参数选用表:
表中标题部分的Type2即为二类配合关系。
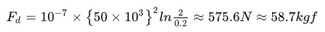
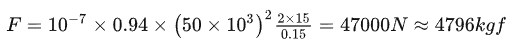
作为对照,我们来看看在50kA短路电流下,母线之间的短路电动力和触头之间的短路电动力定量计算的比较值。
设,母线的截面为80mmX10mm,长度为15米,母线之间的距离为150mm。我们来计算一下这两根母线之间有多大的短路电动力。
由比奥.萨伐尔定律,我们可以推得计算短路电动力的公式为:
式中:Kh叫做截面系数,查表后得知,Kh=0.94;L是母线长度,d是母线中心距离。将数据代入上式,得:
也就是说,这两根母线在50kA短路电流冲击下,它们之间的短路电动力接近4.8吨力。很惊人的数字!
再来看看触头间的电动力。
我们假定触头的半径为2毫米,触头导电斑半径为0.2毫米。我们来计算一番,如下:
一个小小的触头,触头间的短路电流电动斥力就达到58.7千克力,可见其电动斥力的巨大,触头极有可能会被瞬间斥开,由此发生电弧高温熔焊。由此可见触头动稳定的重要。
文章转载自:知乎 Patrick Zhang
原文地址:https://zhuanlan.zhihu.com/p/20686574