这是一个关于低压电器知识百科的网站!


直流电弧

一.引言

随着电力电子技术的不断发展以及直流负载的大量涌现,直流系统在分布式能源、新能源汽车、数据机房、船舶、电网储能、智能楼宇等系统中得到了大量的应用。在直流系统中,如果发生设备老化、导线绝缘下降、接线端子或金属接头松动以及线路发生开路或接地等现象,极易伴随直流电弧的产生。一方面电弧的能量集中,温度很高,容易使故障范围快速扩大,损坏导线绝缘,点燃附近的可燃物,造成火灾甚至发生爆炸,威胁供电电源和控制电路的安全运行。另一方面,由于直流电弧的随机性和不稳定性,导致其不易熄灭且难以检测,威胁各种电力电子系统的安全运行,容易引发火灾、爆炸等安全事故;因此对直流电弧电气特性进行研究对保障直流供电系统安全稳定运行具有十分重要的意义。本文旨在研究直流电弧的产生和特性,研究探讨不同负载特性条件下直流电弧的起弧情况,并给出实际实验结果。

二.电弧的基本认识

2.1电弧现象的特点
在有触点的电器中,触头接通和分断电流的过程中伴随气体放电的现象,称之为电弧。电弧现象具有如下一下特点:
1)电弧是气体中的一股强烈电子流,属于气体放电的一种形式,在外力作用下很容易弯曲变形。
2)电弧是由阴极区、阳极区、弧柱区三部分组成,电弧的外观像一团亮度极高、温度极高的火花。
3)电子的源泉是阴极,接受电子的是阳极。
4)电弧具有良好的导电性能。
5)电弧能量集中,温度很高。
6)产生的极限条件:电路中的电流和电压必须大于某一最小生弧电流(ISH)和最小生弧电压(USH)。在大气中开断电路时,电压大于10 ~ 20 V,电流大于250mA的电路时,就会发生电弧。 2.2电弧的结构
如图1所示,电弧电压=阴极区压降+弧柱压降+阳极区压降,即(公式一)Uh=U1+U2+U3。其中U1为阴极区的压降,U2为弧柱区的压降,U3为阳极区的压降。
图1 电弧结构图
弧柱压降为(公式二)U2=E2l2 。其中E2为弧柱区电场强度;l2为弧柱区长度,可近似取为电弧长度。弧柱区的场强E与电弧电流Ih的关系(公式三):Ih=πr²beEne。其中r为弧柱通道半径;n为电子密度;be为电子迁移率;e为电子电荷。 2.3电弧的产生
电弧的产生途径一般有如下几种情形:
1)开断电路(拉弧)Drawn arc。开断电路时电弧的产生过程:触头开始分断,接触点减小,持续发热,接触处金属熔融形成液态金属桥,液态金属桥变细拉长金属桥断裂(爆炸),电流瞬时截断,产生过电压,击穿介质,在各种熄弧因素下电弧熄灭,触头分断。
2)触头闭合时电弧的发生。
3)真空和气体间隙的击穿。
4)从辉光放电到电弧放电的转变。
5)从火花放电到电弧放电的转变。
2.4电弧的危害
电弧具有热效应,电弧产生的热量能熔化金属,碳化绝缘,加热周围空气;电弧具有压力效应,电弧导致快速加热有限体积的空气,它增加了对装置的损坏;电弧具有发光效应,除了高强度亮光,会影响附近人员的视觉;电弧具有电离效应,带电部件重复性的电弧闪络,它独立于最初的电弧,沿不同的部分传播。
因此,电弧的存在,延长了开关电器开断故障电路的时间,加重了电力系统短路故障的危害;由于电弧在电动力、热力作用下能移动,很容易造成飞弧短路和伤人,或引起事故的扩大;电弧产生的高温,将使触头表面熔化和蒸化,烧坏绝缘材料,还可能引起着火、爆炸等危险。

三.直流电弧的伏安特性

3.1直流电弧的电压特性
在直流系统中,直流电弧的电弧电压的沿弧长分布是不均匀的,可分为C、Z、A三个区域,如图2所示。
图2:直流电弧电压特性图
1)近阴极区
近阴极区(Cathode)其长度与电子平均自由行程相当(10-6m),存在大量的正离子,阴极压降与阴极材料和气体介质特性有关。
2)近阳极区
近阳极区(Anode)其长度约为阴极区的几倍,存在大量的电子。稳定燃弧时,Uc、Ua随I变化不大,一般认为是常数。
3)弧柱区
弧柱区(Z)形状不一定为“圆柱形”;弧柱区正负带电粒子数相等,为等离子体;弧柱区不存在空间电荷,类似电阻;单位长度弧柱的压降基本相等,电场强度沿轴向近似为常数。
由2.2中的公式一、公式二可知:
图3:直流电弧的R-L电路
图4:静态伏安特性曲线
根据图4,弧长l2大于l1,电弧的电压电流伏安特性曲线抬高,Uh增大。电弧的电阻即为曲线上点的斜率,电弧电阻随着电流的变化而变化,电流增大,电阻减小。
3.3直流电弧的动态伏安特性
对于固定的弧长l,Ih按一定速度变化,Uh随之变化,测得的Uh-Ih特性,称之为动态伏安特性,如图5所示。
图5:直流电弧的动态伏安特性曲线
当电弧在I1稳定燃烧,电弧电流以某一较快的速度由I1增大到I2,电弧电压Uh从U1开始变化,减小到U3,再减小到U4 ;当电弧电流以某一较快的速度由I1减小到I3时,电弧电压Uh从U1开始变化,增加到U5,再增大到U6。
极端情况,电弧在I1稳定燃烧,电弧电流以dIh/dt等于正无穷由I1增大到I2,电弧电压Uh从U1开始变化,增大到U2,再减小到U4;电弧电流以dIh/dt等于负无穷由I1减小到I3,电弧电压Uh从U1开始变化,减小到0,因此0-1-2为电流变化无穷大时的动态伏安特性。
综上所述,一定条件下,直流电弧的静态伏安特性曲线只有一条,动态伏安特性却有无数条;动态伏安特性曲线与电流的变化率大小有关,如图6。
图6:动态伏安特性与电流变化率的关系图

四.直流电弧的熄灭

4.1直流电弧温度燃烧点的确定
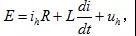
根据图3中给出的直流电弧R-L电路,电压平衡方程式为:
则有:
直流电弧稳定然后di/dt=0,E-ihR=Uh。稳定燃烧点应为电路伏安特性和电弧静态伏安特性的交点,如图7所示。
图7:直流电弧稳定燃烧点
根据图7所示,1点和2点为电路伏安特性和电弧静态伏安特性的交点。对于2点,Δi>0,E-iR< uh ,i减小;Δi<0,E-iR> uh ,i增大,2点为稳定燃烧点。对于1点,Δi>0,E-iR> uh ,i增大;Δi<0,E-iR< uh ,i减小,1点不是稳定燃烧点。1点又称为视在稳定燃烧点。
4.2直流电弧的熄灭
为了消除直流电弧的稳定燃弧点。应使其伏安特性处于特性E-iR的上方,使电弧电压uh与电阻电压降iR之和超过电源电压E,以致电弧无法稳定燃烧。如图8所示。
1)借助增大弧柱电阻使电弧伏安特性上移与特性E-iR脱离。
2)通过提高近极压降、增大弧长、提高电场强度来提高电弧电压。

五.直流电弧拉弧实践

通过以上对电弧基本概念和基本特性介绍,我们对直流电弧有了一定的基础理论认识。那么在实际的直流系统中,开关开断闭合的瞬间到底会出现怎样奇妙的现象,不同的负载又会产生怎样的变化。下面我们通过一系列组合实验来对直流电路中的拉弧现象进行观察和研究。
5.1容性负载拉弧实验
1)纯容性负载直流电路系统,电容为940uF,电源为直流220V,等效电路如图9。
图9:容性负载拉弧实验电路图
2)实验过程:按上述图9搭建实验电路,接通电源待电路稳定工作,断开开关,观察现象,闭合开关,观察现象。
3)实验现象,见视频合辑1。
4)初步分析:开关K1断开瞬间,开关两端没有压差,ΔU为0,没有电流流过,没有观察到火花现象;合闸的瞬间,开关两端有压差,电容快速充电,ΔU接近220V,有轻微的火花现象。
5.2阻性负载拉弧实验
1)纯阻性负载直流电路系统串联电阻为25Ω,电源为直流220V,等效电路实验电路示意如图10。
图10:阻性负载拉弧实验电路图
2)实验过程:按上述图10搭建实验电路,接通电源待电路稳定工作,断开开关,观察现象,闭合开关,观察现象。
3)实验现象,见视频合辑一。
4)初步分析:开关K1断开瞬间,开关两端有压差,ΔU接近于220V,由于负载为纯阻性,有明显的拉弧现象。同样在K1合闸的瞬间,开关两端有压差,近似220V,同样会有电流流过,也会有火花现象。
5.3容性、阻性负载拉弧实验
1)容性、阻性负载直流电路系统,电阻为25Ω,并联电容为940uF,电源为直流220V,等效电路示意如图11。
图11:容性、阻性负载拉弧实验电路图
2)实验过程:按上述图11搭建实验电路,接通电源待电路稳定工作,断开开关,观察现象,闭合开关,观察现象。
3)实验现象:见视频合辑1。
纯容、纯阻、阻性容性视频合辑一.mp4
4)初步分析:K1在分闸的瞬间,电容将K1两端的压差变小,不容易起弧。即使起弧,前端的电源通过K1,通过电弧给电阻电容同时供电,电容处于充电状态,电流大于IR,这个大电流会让电弧的动态特性偏离静态特性,更容易灭弧。K1合闸的过程中,合闸的电流等于电容的充电电流加上电阻的电流I=IC+IR,所以会有明显的火花。
5.4感性、阻性负载拉弧实验
1感性、阻性负载直流电路系统,串联的电阻为25Ω,电感为200uH,电源为直流220V,等效电路示意如图12。
图12:感性、阻性负载拉弧实验图
2)实验过程:按上述图12搭建实验电路,接通电源待电路稳定工作,断开开关,观察现象,闭合开关,观察现象。
3)实验现象,见视频合辑2。
4)初步分析:开关K1断开的瞬间,流过开关K1的电流缓慢变小,开关K1断开的瞬间,电感上会产生一个电压,与电源电压为串联关系 ,意味着K1的电压差变大,更容易起弧。在开关K1闭合的瞬间,电感减小流过K1的电流,只看到轻微的火花。
5.5感性、容性负载拉弧实验
1)感性、容性负载直流电路系统,串联的电容为940uF,电感为200uH,电源为直流220V,等效电路示意如图13。
图13:感性、容性负载拉弧实验电路图
2)实验过程:上述图13搭建实验电路,接通电源待电路稳定工作,断开开关,观察现象,闭合开关,观察现象。
3)实验现象,见视频合辑2。
4)初步分析:K1开关开断、闭合的瞬间,因为没有电流,均未观察到电弧现象。
5.6感性、阻性、容性组合负载
1)感性、容性、阻性负载直流电路系统,串联的电阻25Ω,电感为200uH,电阻上并联电容为940uF,电源为直流220V,等效电路示意如图14。
图14:感性、容性、阻性负载拉弧实验电路图
2)实验过程:按上述图14搭建实验电路,接通电源待电路稳定工作,断开开关,观察现象,闭合开关,观察现象。
3)实验现象,见视频合辑2。
阻性感性、感性容性、容性感性阻性视频合辑二.mp4
4)初步分析:直流电路中,感性、容性、阻性的结合最符合直流负载的实际应用情况。K1在开断和闭合的瞬间,有轻微的火花,K1分闸时电弧小,电容起到了抑制作用,K1合闸时电弧小,电感起到抑制作用。
5.7开关电源类负载
1)负载为开关电源,实验电路示意如图15。
图15:开关电源类负载拉弧实验电路图
2)实验过程:按上述图15搭建实验电路,接通电源待电路稳定工作,断开开关,观察现象,闭合开关,观察现象。
3)实验现象,见视频3。
开关电源类(视频3).mp4
4)初步分析:开关电源的实验等效于上述的第六个感性容性阻性组合的实验组合。
5.8实验小结
通过上述七个分组实验,我们对观察到的现象和表现程度进行比较,见下表(表1:实验分组比较表)数据:
结合实验现象和表1,通过电弧现象的实验,我们总结了几个特点:
1)不同的负载条件会影响着电弧现象的发生。电感在电路中会加大开关开断时候的电弧,抑制开关闭合时的电弧;电容在电路中减小开关断开时的电弧,加大开关闭合时的电弧。
2)开关电源电路是一个非常完美的感容阻组合,同时自带灭弧。
3)在上述实验过程中,我们甚至观察到飞弧短路的现象。主动式保护能够在300微秒内快速反应和判断,利于快速灭弧。
4)电路拉弧时金属接头有明细的灼烧痕迹,如何更有效地模拟电弧对 电极的灼烧过程和电弧的能量释放,还需要进行大量的研究论证。

六.结语

本文在参阅相关文献资料的基础上,通过对直流电弧理论的探讨和不同负载下拉弧实验的实践,分析不同的负载条件对电弧产生的影响。随着直流配电系统的进一步发展,电弧的开断和故障电弧的检测也将会是直流配电领域的研究热点方向之一。在工程实践中进行直流电弧的监测和保护措施,减少电弧现象的产生,减少对设备的伤害,针对不同负载特性,采取合理的灭弧措施,将会给直流系统的安全、稳定、可靠运行带来更多的保障。

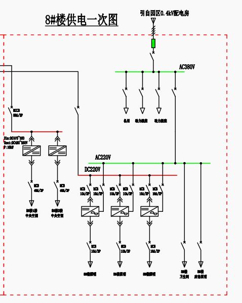
七.思考

下图为南京国臣公司8#、9#、10#号楼楼宇直流配电系统示意图,哪些位置的开关在开断闭合瞬间会容易起弧呢?

打印/导出
QR Code
QR Code 直流电弧 (generated for current page)